
Общие сведения
Модульные распределительные устройства NORMAFIX с воздушной изоляцией предназначены для применения в сетях среднего напряжения, в промышленности и других отраслях. Благодаря высокой адаптивности и модульному исполнению возможно создание индивидуальной конфигурации по желанию заказчика. Ячейки полностью металлические, и каждый модуль может быть снабжен силовым выключателем, выключателем нагрузки, заземлителем и рядом других опций.
Продукция доступна в модификациях до 36 кВ, что обеспечивает широкий спектр ее применения на мировом рынке распределения электроэнергии. Многофункциональности, характеристики устройства позволяют его использование для расширения ранее установленных распределительных устройств СН.
Характеристики
- Модульное распределительное устройство с воздушной изоляцией
- Элегазовый выключатель нагрузки
- Силовой вакуумный выключатель
- Простота установки и расширения
- Разработана в соответствии с международным стандартом IEC 62271-200
- Защита от воздействия внутренней дуги
- Высокая коммутационная и механическая износостойкость (класс ЕЗ и М2)
- Возможность тепловизионного контроля (по запросу)
| Технические характеристики | ||||
|---|---|---|---|---|
| Номинальное напряжение | 12 кВ | 17.5 кВ | 24 кВ | 36 кВ |
| Электрическая прочность изоляции | 28/75 кВ | 38/95 кВ | 50/125 кВ | 70/170 кВ |
| Номинальный рабочий ток | 630/1250 A | |||
| Кратковременно выдерживаемый ток | 16 kA/3 с; 20 kA/1 с | |||
| Размеры, мм | ||||
| Высота | 1575 | 2010 | ||
| Глубина | 860 | 1155 | ||
| Ширина | 375/500/750/1000 | 600/1200 | ||
Примечание: Размеры приведены в качестве справочной информации
Стандартные модули







Ниже приведены примерные цены на КРУ NORMAFIX на примере NORMAFIX 24:
| № п/п | Тип | Наименование | Цена за ед., евро без НДС |
| 1 | Normafix 24 | Ячейка DC - Отходящая линия (с силовым выключателем и разъединителем), 630А | 36 225,00 |
| 2 | Normafix 24 | Ячейка DC-1250 - Ввод/секционный выключатель (с силовым выключателем и разъединителем), 1250А | 43 650,00 |
| 3 | Normafix 24 | Ячейка СD - Ячейка ЗН (прямого ввода) | 15 750,00 |
| 4 | Normafix 24 | Ячейка ТT – Трансформатор напряжения (ТН) | 28 125,00 |
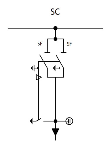
| 5 | Normafix 24 | Ячейка SC - Секционный разъединитель | 16 875,00 |
Примечания:
** ячейки с выключателем оснащены МФУ TPU L 450
** все ячейки оснащены
- дуговой защитой;
- устройством определения высокого напряжения на кабеле с релейным выходом ИВА -2.
